一、引言
超聲波流量檢測技術根據被測流體對超聲波傳播速度產生調制來實現流速測量。近年來隨著數字信號處理技術、大規模數字電路的應用以及新型超聲換能器的出現,促使超聲波流量檢測技術取得了長足進步。與傳統的流量計相比超聲波流量計解決了大管徑、大流量及各類明渠、暗渠液體流量測量困難的問題,同時,可以測量包括:液體、氣體,甚至對雙相介質在內的液體流量,對測量介質無要求。且具有低壓降、低能量消耗、測量精度高的優勢,所以它正在逐漸取代機械式的流量計。但超聲波用于小口徑流量測量時,由于超聲波穿過被測液體的時間很短,有用的測量信號容易被雜波所淹沒,從而影響流量的測量精度。針對小口徑超聲波流量檢測的上述問題,通過硬件電路設計和軟件算法的改進,較好的解決了測量精度問題。
二、超聲波流量計換能器的驅動和信號處理
超聲波流量計檢測方法主要有:時差法、多普勒效應法、相關法、噪聲法、波束偏移法等,時差法超聲波流量是依靠在超聲波信號傳播到介質當中后,在流動的介質里會帶有介質流速信息,依靠超聲波接收傳感器把帶有流速信息的超聲波回波信號接收到電路板中,進行一系列的信號處理之后*會得到被測介質的流速或者流量。
(1)時差法超聲波流量計的工作原理
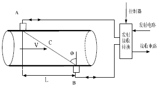
時差法計量的關鍵是要能夠獲得高精度的時間測量參數,近幾年來,隨著高速時間計數處理芯片不斷出現,使得幾十皮秒的測量精度變得可能,這對于時差法用于小口徑超聲波流量計提供了計量保證。圖1是時差法超聲波流量測量法的基本原理圖。
兩個超聲波探頭A和B既可以發射又可以接收,當探頭A發射,B接收時,超聲波*在流體中順流傳播,其速度*要加快,測量出順流時間;反之逆流傳播時超聲波的速度*會減慢。
時差法中順流傳播時間t1為:

逆流傳播時間t2為:

順逆流時間差Δt為:

可得:

其中,C為超聲波在液體中的聲速;L為兩個換能器之間的距離;V為管道中心軸方向的平均流速;θ為超聲波進入液體的入射角;τ為超聲波在液體傳播以外的附加時間。
(2)超聲波換能器的驅動控制
在超聲波流量測量時,首先要對換能器進行驅動,激勵換能器產生振蕩并發出超聲波信號,以下是分別采用1個驅動脈沖、10個驅動脈沖和15個驅動脈沖作為換能器的激勵源,圖2是1個驅動脈沖時,接收端換能器所接收到的波形。可以看出,當一個脈沖驅動時,所接收到的波形比較微弱,波形很不規范。圖3是10個驅動脈沖時,接收端換能器所接收到的波形。波形形狀得到明顯改善。圖4是15個驅動脈沖時,接收端換能器所接收到的波形。
由上面幾個圖可以看出15個脈沖時換能器器接收波形是比較規范的正弦波,幅值較大,GP2*多能發出15個驅動脈沖,因此選用驅動脈沖為15個。